您当前所在位置: 本站首页 >> 往期期刊 >> 2019年06期 >> 正文

基于单片机的室内光线智能调节控制系统设计

2019年12月25日 18:00 尚坡利 尉双全 马伟博 刘振儒 冯方宇 点击:[]

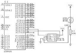
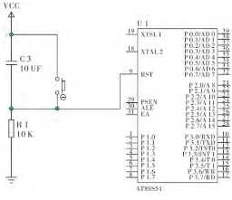
摘要:以AT89S51单片机为控制器,设计了一款室内光线智能调节控制系统.该系统将智能窗帘和智能照明设备结合起来,可以根据外界环境光线的强弱状态变化,实时调节窗帘的开合程度,并相应调节室内的光线强弱程度.系统的作用在于使用户居住在拥有最佳光线环境的房屋中,同时设置了个性化调节方式,以满足用户的不同需求.该控制系统的研究对于提高人们的生活品质以及减小社会能源消耗都具有一定的意义.

基金:甘肃省自然科学基金(1506RJZA057); 兰州石化职业技术学院科研项目(KJ2016-08);

关键词:光线智能调节; 智能窗帘; 智能照明; AT89S51单片机;

分类号:TP368.1;TP273.5;TU113.66

 

上一条:高铁栅栏入侵检测机器人控制系统设计 下一条:卷积神经网络在指针缺陷检测系统中的应用