您当前所在位置: 本站首页 >> 往期期刊 >> 2020年01期 >> 正文

基于铝膜导引的AGV小车设计

2020年02月26日 15:09 赵耕云张龙飞拜赟程丽王佳 点击:[]

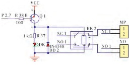
摘要:以KEA128作为主控制器,AT89C52作为副控制器,设计了一辆基于铝膜引导的AGV小车.详细设计了小车的路径信息检测系统、电机驱动系统、速度采集系统、超声波测距系统及声光报警系统.采用PID算法实现了对小车前轮的速度及方向控制.结果表明:设计完成的AGV小车可以按照预定的设计路线自动行驶,并能实现避障报警、运送货物等功能.

2019年度国家级大学生创新创业训练计划项目(201911807006); 2019年度甘肃省省级大学生创新创业训练计划项目(DC1911807-18); 2019年甘肃省陇原青年创新创业人才项目(38); 2018年度兰州工业学院青年科技创新项目(18K-004); 兰州市人才创新创业项目(2019-RC-48);

关键词:AGV; PID算法; 自动行驶; 避障报警;

分类号:TP23

 

上一条:基于机器学习的机动道路车辆冲突智能控制方法 下一条:加载人工磁导体的单极子天线设计